Applications

Solar Power

Home 9 Applications 9 Solar Power

Renewable Energy and ESS

Renewable Energy and Energy Storage System

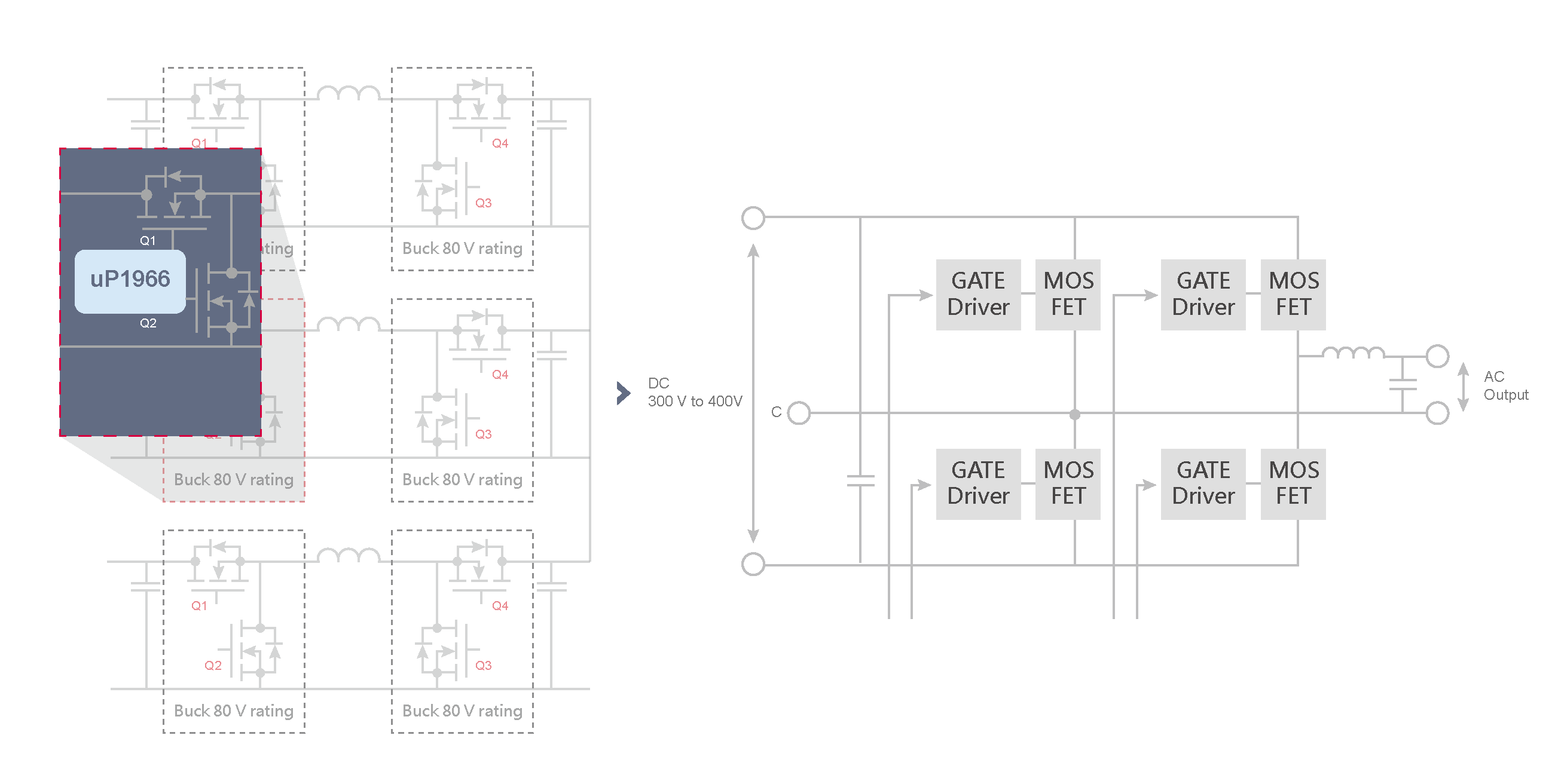
MPPT Q1~Q4 EPC GaNFET

Q1~Q4 EPC GaNFET

uP1966E

Dual-Channel Gate Driver for Enhanced Mode GaN Transistors

uP1966E

Dual-Channel Gate Driver for Enhanced Mode GaN Transistors

ESS Inverter DC-AC

uP1966E

Dual-Channel Gate Driver for Enhanced Mode GaN Transistors