PTIC
Multi-cell
uP8306
Secondary Over-Voltage Protection for Battery with Output Control Function
Datasheets PDF
General Description
The uP8306 series is used for secondary protection of lithium-ion rechargeable batteries, and incorporates a highaccuracy voltage detection circuit and a delay circuit. Short circuits between cells accommodate series connection of two to four cells. uP8306 is available in the UUTDFN1.97X2.46-8L and WDFN2x2-8L packages.
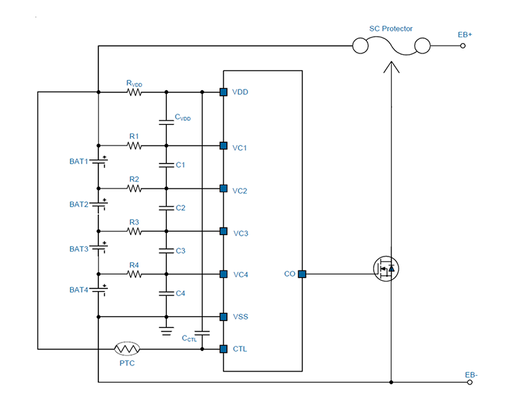
Pin Configuration & Typical Application Circuit
Feature
- High-Accuracy Voltage Detection Circuit for Each Cell
- Overcharge Detection Voltage n (n = 1 to 4)
4.3V to 4.6V (in 50mV steps)
Accuracy: 20mV (+25°C)
Accuracy: 25mV (0°C to +60°C) - Overcharge Hysteresis Voltage n (n = 1 to 4)-0.38V ± 150mV.
- Overcharge Detection Voltage n (n = 1 to 4)
- Delay Time for Overcharge Detection Can Be Set by An Internal Circuit (No External Capacitor Required)
- Optional Overcharge Detection Delay Time:
4s or 6s - Output Control Function via CTL Pin
- High Withstand Voltage Devices:
- Absolute Maximum Rating: 32V
- Wide Operating Voltage Range: 4V to 24V
- Wide Operating Temperature Range: -40°C to
+85°C - Low Current Consumption
- At 3.1V for Each Cell: 4.0uA max.(+25°C)
- CO Pull Up Voltage: VDD – 0.1V
- Support Test Mode to Shorten Mass Production Time
- RoHS Compliant and Halogen Free
Application
- Lithium-Ion Rechargeable Battery Packs (for Secondary Protection)
- Notebook Computers
- Portable Instrumentation or Equipment
- Rechargable Batteries in Serial Application


