DC-DC Controller
Multiple Phase Buck Controller
uP1666Q
2-Phase Synchronous-Rectified Buck Controller for Mobile GPU Power
Datasheets PDF
General Description
The uP1666Q is a 2/1-phase synchronous-rectified buck controller specifically designed to work with 2.5V ~ 20V input voltage and deliver high quality output voltage for high performance graphic processor power.
The uP1666Q adopts proprietary RCOTTM technology, providing flexible selection of output LC filter and excellent transient response to load and line change. The uP1666Q supports NVIDIA Open Voltage Regulator 2+ with PWMVID feature. The PWMVID input is buffered and filtered to generate accurate reference voltage, and the output voltage is precisely regulated to the reference input.
The uP1666Q uses MOSFET RDS(ON) current sensing for channel current balance. The uP1666Q also implements a multi-function pin (FS/OC) for switching frequency selection and OCP threshold setting.
Other features include power saving control input, and power good output. This part is available in WQFN3x3- 20L package.
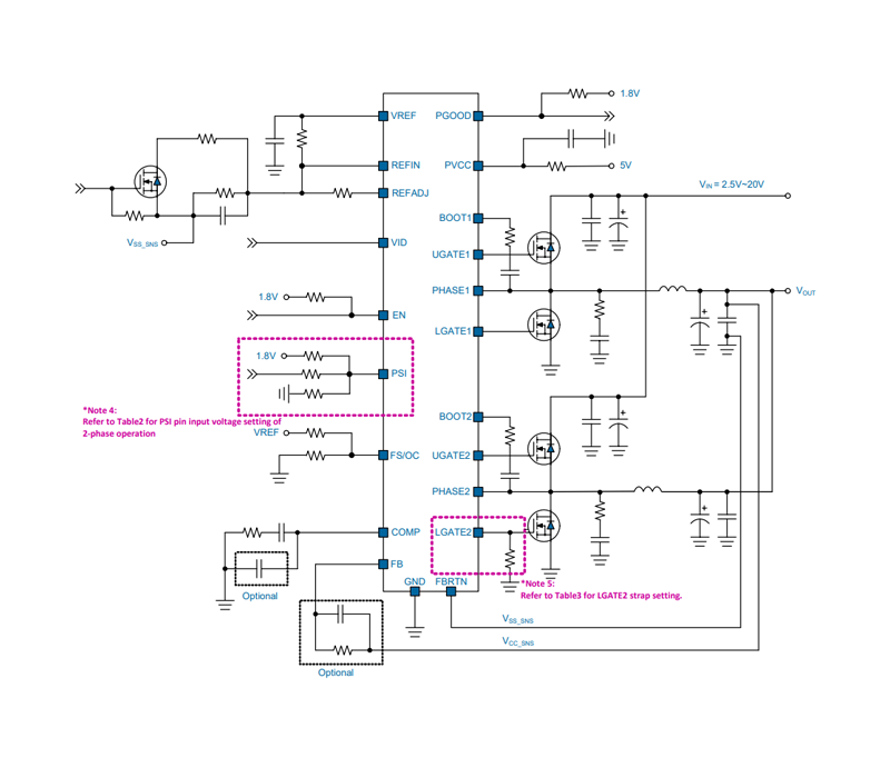
Pin Configuration & Typical Application Circuit
Feature
- Support NVIDIA Open VReg Type-2+ PWMVID Technology
- Wide Input Voltage Range 2.5V ~ 20V
- Robust Constant On-Time Control
- 2/1 Phase Operation
- Two Integrated MOSFET Drivers with Shoot Through Protection and Internal Bootstrap Schottky Diode
- Selectable Soft-Start
- Multi-Function Pin (FS/OC) for Linear OCP Threshold Setting and Switching Frequency Selection
- External Compensation
- Dynamic Output Voltage Adjustment
- Power Good Indication
- Over Voltage Protection
- Under Voltage Protection
- Over Temperature Protection
- RoHS Compliant and Halogen Free
Application
- Middle-High End GPU Core Power
- High End Desktop PC Memory Core Power
- Low Output Voltage, High Power Density DC-DC Converters
- Voltage Regulator Modules



